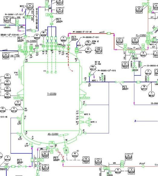
• Drafting of P&IDs with a piping design review to include the following value added items.
  • Review of cGMP piping practices, (system drain-ability, dead legs, minimum distance
    connections. etc.)
  • Review of piping and valve specifications and piping material specification break
    locations.
  • Review of instrument size and connection type to process line.
  • Review of branch take-off sequence.
  • Review of utility consolidation and isolation.
  • Review of Specialty Items.
P&ID Development & Drafting
Key Benefits